Transformateur
09/04/2002
 André BONNET 
Liste des cours

   
Transformateur

Le transformateur est un convertisseur d'énergie électrique AC / AC isolé. Les deux fonctions principales sont la transmission isolée d'énergie et la modification du niveau d'une source alternative.

 1- Description - Exemple de constitution 

 Aspect extérieur 


transformateur

 

 Circuit magnétique seul 


circuit

 Réalisation du circuit magnétique par empilement de tôles 

tôles

    Les tôles ont une épaisseur entre 0,4 et 0,7 mm en fonction du soin qui est exigé par l'application. L'empilement de plan des tôles en " E " et en  " I " avec alternance des joints entre le " E " et le " I " permet de fabriquer le circuit magnétique. L'ensemble forme un bloc cohérent quand cet ensemble est collé ou par serrage grâce aux systèmes vis écrous qui prennent place dans les trous. Les plans de tôle sont isolés entre eux par l'oxydation naturelle des tôles ou par un vernis. Ainsi les pertes par courant de Foucault sont limitées.

 Position des enroulements sur la carcasse 

enroulements

    Chaque spire est isolée de sa voisine grâce au vernis isolant déposé sur le fil du bobinage. Une fois le bobinage constitué, la carcasse et ses enroulements sont déshydratés et imprégnés avec un vernis qui polymérise en étuve.


 2- Modélisation du transformateur 

 2.1- Symboles 

symboles

 

 2.2- Transformateur idéal 

 Hypothèses 


 Équations 

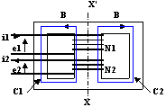
    Le noyau magnétique de section droite S est homogène.

noyau

    Les deux contours C1 et C2 sont symétriques par rapport à l'axe XX' et enlacent les mêmes courants et s'appuient sur des circuits magnétiques de mêmes dimensions. C'est donc la même induction B qui circule sur ces deux contours.
sommeC H.dl = somme i = N1.i1 - N2.i2
e1 = -N1.S.db/dt
e2 = -N2.S.db/dt
Dans l'hypothèse d'une perméabilité infinie, H = 0 et sommeC H.dl = 0 = N1.i1 - N2.i2
Alors : e2/e1 = N2/N1 = i1/i2 = m où m est le rapport de transformation.


 Observations 


 2.3- Transformateur réel 

 Bilan des imperfections 


 Modélisation du transformateur réel 

réel

    Les éléments du modèles sont parfaits et chacun correspond à la prise en compte d'une imperfection autour d'un transformateur parfait de rapport de transformation m :

    En sinusoïdal l'induction maximale (Bm=E1/[4,44.N1.S.f]) est proportionnelle à E1. Et les pertes dans le fer varient proportionnellement à Bm2. Dans le modèle on vérifie que Rpf dissipe E12/Rpf, il existe donc une valeur de Rpf telle que Pf = E12/Rpf.

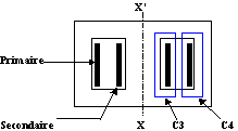
Sur C3, sommeC3 H.dl = N1.i1
Sur C4, sommeC4 H.dl = N1.i2

    Puisque la circulation de H sur les contours C3 et C4 est non nulle, C3 et C4 portent des lignes d'induction. Mais ces lignes d'induction ne sont pas enlacées simultanément par les enroulements primaire et secondaire. On les appelle des lignes d'induction de fuite.
La loi de Faraday s'applique en tenant compte du flux commun phic (enlacé par tous les enroulements), du flux de fuite primaire phif1 (enlacé par le primaire seul) et du flux de fuite secondaire phif2 (enlacé par le secondaire seul) :
e'1 = -N1.(dphic/dt) -N1.(dphif1/dt) = e1 + lf1.(di1/dt)
e'2 = -N2.(dphic/dt) -N2.(dphif2/dt) = e2 + lf2.(di2/dt)


 3- Cas du transformateur de distribution 

    Les transformateurs utilisés dans la distribution d'énergie électrique (plus de 1kW) doivent fournir une tension au secondaire très stable (à 2 ou 3% près) quand I2 varie. Dans ce cadre l'hypothèse de Kapp est applicable. L'objectif de la modélisation est de prévoir cette variation avec précision.

 3.1- Modélisation à partir de l'hypothèse de Kapp 

 Hypothèse de Kapp 

    Le flux magnétique dans le circuit magnétique est invariant vis à vis de l'état de charge du transformateur.
    L'induction maximale dans le fer est Bm = E1/(4,44.N1.S.f). Faire l'hypothèse que Bm est constante vis à vis de i1 et i2 équivaut à considérer constante la tension sur l'inductance de magnétisation.
    Autre conséquence de l'hypothèse de Kapp, les pertes fer sont constantes. Cela revient à placer Lm et Rpf en tête du modèle.

modèle

 

 Vu des bornes du secondaire le transformateur est un générateur de tension 


générateur

La résistance Rs parcourue par i2 doit dissiper l'ensemble des pertes Joule du transformateur,
Rs.I22 = R2.I22 + R1.m2.I22. Donc Rs = R2 + m2.R1
L'impédance Xs parcourue par i2 doit consommer la même puissance réactive que lf1 et lf2, 
Xs.I22 = lf2.w.I22 + lf1.m2.I22. Donc Xs = (lf2 + m2.lf1).w
Équation de la maille du modèle vue du secondaire : V2 = m.V1 - Rs.I2 - jXs.I2

Le diagramme de Fresnel associé est appelé diagramme de Kapp :

kapp

    En fait dans un transformateur de distribution Rs.I2 et Xs.I2 sont très petits devant V2 et m.V1. Alors les vecteurs mV1 et V2 ont pratiquement la même direction.

Hypothèse d'Arnold : ces deux vecteurs mV1 et V2 ont même direction.

arnold

    Dans l'hypothèse d'Arnold les vecteurs V2 et mV1 sont colinéaires et la chute de tension au secondaire deltaU2 se calcule algébriquement. deltaU2 = mV1 - V2
Sur la figure deltaU2 correspond à OB = OA + AB
OA = Rs.I2.cosphi
AB = Xs.I2.sinphi
DU2 = Rs.I2.cosphi + Xs.I2.sinphi


 3.2- Détermination expérimentale des paramètres du transformateur 

    Cette expérimentation s'effectue lorsqu'il faut prévoir le comportement d'un transformateur et que l'essai direct est impossible.
Les essais ne doivent mettre en jeu que des faibles puissances :

 Essai à vide 

vide

On mesure sous V1 = V1n à f = fn, P10, I10,V20
Rpf = V102/P10
Cosphi10 = P10 / (VI0.I10)
Q10 = P10.tgphi10
Lm = V102 / Q10
m = V20 / V10

 Essai en court circuit sous tension réduite 

CC

On mesure à I2n = I2cc et f = fn, P1cc, V1cc, I1cc.
Rs = Pcc / I2cc2
cosphicc = Pcc / (V1cc.I1cc)
Xs = Rs.tgphicc


 4- Cas du transformateur d'intensité 

    Le transformateur d'intensité est utilisé dans les mesures de courant pour ses fonctions d'isolation et de mise à l'échelle. Exemple mesure du courant sur un réseau 5kV / 1000A.

 4.1- Symbole du transformateur d'intensité 

TI

    Dans ce contexte la caractérisation du transformateur se fera au point de vue de la sécurité et de la précision dans le rapport des courants primaire et secondaire.

schéma

    Les courants qui traversent Rpf et Lm doivent être les plus petits possible pour que i1 / i2 s'approche de m. La fabrication du circuit magnétique emploie des matériaux nobles pour augmenter Rpf. Par contre les paramètres R1, R2, lf1 et lf2 ont une influence modeste dans une chaîne de mesure de courant. Le modèle du transformateur en fera donc abstraction.


 4.2- Modèle du transformateur d'intensité 

modèle

    La résistance R est soit la résistance interne d'un appareil de mesure, soit un " shunt " de mesure qui a pour vocation de créer une tension v2 proportionnelle à i1.
    Mais v2 impose e1 qui détermine la consommation de Lm et Rpf. Il faut donc que v2 soit la plus faible possible. Pour des raisons de facilité d'exploitation V2 est choisi autour de 100mV.
    Le comportement en fréquence du transformateur est de type passe haut.


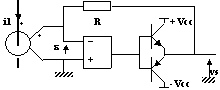
 4.3- Structure pour améliorer le comportement du transformateur d'intensité 

amélioration

    Ici epsilon= 0 et le transformateur d'intensité fonctionne à merveille puisque les courants dans Lm et Rpf sont infimes. Vs = -R i1/m
    Les transistors permettent d'éviter un trop fort rapport m qui rendrait la fabrication du transformateur difficile. En effet le transformateur peut délivrer beta fois le courant de l'ALI.


 5- Transformateur d'impulsions 

    Le transformateur d'impulsions est un composant électronique dont la vocation est de transmettre des signaux isolés. Le rapport de transformation est de 1, 2 ou 0,5. Il existe des version avec deux enroulements secondaires identiques.
    Le problème déterminant est d'éviter la saturation du noyau magnétique. Les résistances de bobinage, les fuites magnétiques ont peu d'effet dans les applications. Le soin apporté au choix du matériau magnétique rend les pertes fer négligeables.

 Modèle du transformateur d'impulsions 

modèle


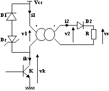
 Exemple de structure utilisant un transformateur d'impulsions 

exemple

K travaille en commutation à la période T avec un rapport cyclique alpha. Formes d'ondes :

courbes

Justification des tracés :
De 0 à alpha
vk = 0 donc v1 = Vcc 
Le courant magnétisant imag = (Vcc/Lm).t
Au secondaire v2 = m.Vcc  est positive donc la diode D2 conduit et Vs = m.Vcc 
Alors  i2 = m.Vcc/R et  i1 = m2.Vcc/R + (Vcc/Lm).t

A alpha
imag = Im = (Vcc/Lm).alphaT

De alphaT à beta
Il y a du courant dans Lm avec D1 et Dz conductrice v1 = - Vz, imag = (-Vz/lm).(t-alphaT) + Im 
Alors v2 = -m.Vz est négative ce qui bloque la diode D2. Donc vs = 0.

A betaT, le courant imag = 0 et les diodes se bloquent. v1 = v2 = 0, i1 = i2 = ik =0


 Conditions de fonctionnement 

 Exercices

Voir aussi :
Transformateur d'impulsion
Transformateur d'intensité