Le transformateur d'impulsions est utilisé pour la commande de thyristors, triacs et transistors. Il présente par rapport à l'opto-coupleur, les avantages suivants: fonctionnement possible à fréquence élevée, simplification du montage, possibilité de fournir un courant important, bonne tenue en tension
![]() |
![]() |
![]() |
Convention
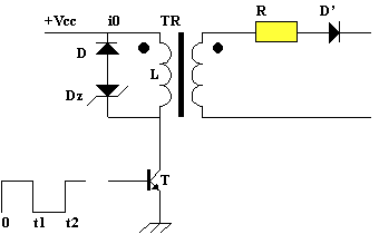
i0: courant magnétisant (courant à vide). Rapport de transformation: m = i1/i2 = V2/V1
Une bonne utilisation du transformateur implique une absence de saturation du fer:
et i0 doivent toujours être inférieurs à
s et is. Ceci entraîne un respect du " produit V.T " (constante donnée par le constructeur) et une démagnétisation totale entre chaque cycle de fonctionnement (diode, diode Zener, V.D.R.)
Fonctionnement à vide
De 0 à t1: T est saturé
V2 = m.V1 L . di/dt = Vcc
i0 = t1 . Vcc/L
le courant augmente de façon linéaire en fonction du temps
S'il atteint is, il n'y a plus de variation de flux: V2=0
Le courant is n'est alors limité que par le transistor (
.ib)
di/dt = 0, le transistor est soumis à la tension Vcc
et doit dissiper une puissance importante (Vcc.
.ib)
Il faut donc éviter que le transformateur travaille dans sa zone de saturation car le signal d'entrée n'est plus transmis en sortie et le transistor risque un claquage thermique
De t1 à t2: T se bloque
Le courant, du fait de la présence de l'inductance primaire ne peut s'annuler instantanément et circule dans les diodes: L . di/dt = Vd + Vz. C'est la phase de démagnétisation, qu'il est possible d'accélérer par l'emploi d'une diode Zener de tension inverse plus élevée. Le transistor est soumis à la tension: Vcc + Vd + Vz
Fonctionnement en charge
Lorsque le secondaire débite un courant i2, le courant primaire total est donné par l'équation:
i1t = i0 + m . i2
Produit V.T
Lors de la conduction du transistor, le courant magnétisant est donné par:
i0 = t1 . Vcc/L
Le flux total est: n.
= L.i0 d'où: n.
= Vcc.t1
Cette équation est valable jusqu'à la saturation.
Pour un transformateur donné, le flux maximal
s et le nombre de spires n sont constants, donc le produit Vcc.t1 est constant. Ce produit est généralement exprimé en V.µs. Il symbolise le fait que tout accroissement de la tension se fait au détriment de la durée maximale de l'impulsion à transmettre.
Application
Tension de sortie du pont mixte Commande des gâchettes |
![]() |
- Thyristors: BTW 66-600
tension gâchette-cathode: Vgtmax=3v
courant continu de gâchette nécessaire à l'amorçage: Igtmax=50mA
- Transformateur d'impulsions: IT313
rapport de transformation: 1-1-1
V.T=450v.µs
inductance primaire Lp=3mH
courant d'allumage: 250mA par gâchette
- Tension d'alimentation: 15v
- Commande de base: le signal de base du transistor provient d'un circuit compatible T.T.L. pouvant fournir jusqu'à 10mA. Il a un rapport cyclique de 0,5
Détermination du courant de gâchette
Le courant de gâchette doit avoir une valeur moyenne de 50mA
Sa valeur crête (rapport cyclique 0,5) est donc 100mA. I2 = 100mA
Détermination de la résistance de gâchette
(15-3-1)/0,1 = 110![]()
On prendra 100![]()
Détermination de la fréquence minimale de fonctionnement
t1=450/15 = 30µs
t1 = t2 d'où f = 1/60(µs) = 17kHz
La diode de démagnétisation et les diodes de gâchette sont des diodes rapides
Détermination du courant de collecteur
Ic = I0 + 2.I2
avec I0 =
= 100mA
Ic = 300mA ( valeur de crête )
Détermination de la résistance de base
Le transistor utilisé est un 2N1711. Son gain est compris entre 100 et 300. Le courant de base nécessaire est donc 3mA.
La résistance de base vaut:
= 666![]()
On prend 560![]()
Détermination de la diode Zener et du transistor
Pour assurer une démagnétisation complète du transformateur, on choisit une diode Zener de tension inverse supérieure à 15v. On prend une Zener de 18v
Le transistor doit tenir une tension de 15+18+1=34v (Vce0 du 2N1711: 50v>34v)
Chronogrammes
