
1- Symbole
2- Caractéristiques électriques d'un transistor NPN
Les caractéristiques électriques du transistor bipolaire sont unidirectionnelles. On peut donc les réunir sur un seul plan.
Observations
3- Transistor en commutation
Exemple de structure
Si Ve = 0 le transistor est bloqué.
Le transistor est saturé si Ic < b.Ib, c'est à dire si Vcc/Rc < b (Ve - Vbe) / Rb
Exemple de commande de relais :
Le transistor permet de commander le relais en tout ou rien à partir du signal Ve. Le relais R comprend entre ses bornes un bobinage que l'on peut assimiler à une inductance L en série avec une résistance r. La diode D est une diode de roue libre qui assure la continuité du courant dans l'inductance du relais au blocage du transistor. Sans la diode D une surtension destructrice pour le transistor se produirait.
4- Transistor en amplification
Le transistor est un composant unidirectionnel, pour amplifier des signaux sinusoïdaux il faut donc ajouter une composante continue appelée " polarisation " à chaque grandeur qui sollicite le transistor. Alors X = X0 + x où x est le signal à amplifier et X0 la composante continue. Il faut dans tous les cas pour un transistor NPN, X > 0. Donc la composante continue X0 doit être plus grande que l'amplitude de x.
En régime linéaire le principe de superposition est applicable, on distinguera donc l'étude de la polarisation et de l'amplification des signaux.
4.1- Modèle du transistor en petits signaux
La polarisation fixe Vbe0, Ib0, Ic0, Vce0. Autour de la polarisation se déplace le point de fonctionnement du transistor quand sont appliqués les petits signaux à amplifier. Vis à vis des petits signaux les propriétés du transistor sont dont caractérisées par les pentes des tangentes aux points de polarisation. Ce sont les paramètres du transistor en petits signaux. Ils varient en fonction du choix du point de polarisation.
On en déduit les équations pour les petits signaux :
vbe = rbe.ib
ic = b.ib
ic = b.ib + vce/r
Conformément à ces équations, en petits signaux le transistor peut être modélisé par le circuit électrique suivant :
4.2- Polarisation du transistor
Dans la structure 1 :
Ic0 = b.(Vcc - Vbe0) / R1
Le point de repos dépend beaucoup de b. Mais b varie d'un transistor à l'autre bien que la référence soit la même et pour un même transistor en fonction de la température. Ce montage très simple est donc difficilement utilisable.
Dans la structure 2 :
Le pont R1, R2 sur Vcc peut être remplacé par son modèle de Thévenin:
Ic0 = b.(Vb - Vbe0) / (Rb + [b +1].Re)
En choisissant Rb faible devant [b +1]Re alors Ic0 » (Vb - Vbe0) / Re devient pratiquement insensible à b.
Dans la structure 2, le point de polarisation est donc stable en température et l'interchangeabilité des transistors est possible.
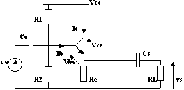
4.3- Amplificateur émetteur commun
La structure 2 est retenue pour créer la polarisation. Les petits signaux à amplifier sont injectés au travers d'un condensateur de liaison Ce. Ainsi la polarisation n'est pas modifiée par le branchement du générateur ve. De même la charge RL est attaquée au travers du condensateur de liaison Cs. Le condensateur C permet par sa très faible impédance par rapport à Re dans la bande passante d'appliquer ve sur la jonction base-émetteur.
La source de tension continue Vcc est une source de tension nulle en petits signaux.
Pour les petits signaux et dans la bande passante, les condensateurs de liaison Ce et Cs ainsi que C ont des impédances négligeables devant celles du circuit et la structure se comporte comme le schéma suivant :
On en déduit :
Cette structure se comporte en amplificateur inverseur.
4.4- Amplificateur collecteur commun

La source de tension continue Vcc est une source de tension nulle en petits signaux.
Pour les petits signaux et dans la bande passante, les condensateurs de liaison Ce et Cs ont des impédances négligeables devant celles du circuit et la structure se comporte comme le schéma suivant :
On en déduit :
Cette structure se comporte en étage suiveur avec une relativement forte impédance d'entrée et une faible impédance de sortie.
4.5- Amplificateur base commune

La source de tension continue Vcc est une source de tension nulle en petits signaux.
Pour les petits signaux et dans la bande passante, les condensateurs de liaison Ce et Cs ont des impédances négligeables devant celles du circuit et la structure se comporte comme le schéma suivant (si on considère r très grand) :
On en déduit :
Cette structure se comporte en amplificateur non inverseur.
5- Structures à transistors
5.1- Montage Darlington

En régime linéaire (Vce > 2Volts):
Ic = Ic1+Ic2 = b1.Ib1+b2.Ib2 = b1.Ib1+b2 (b1+1)Ib1 » b1.b2.Ib1
La structure fonctionne comme un transistor bipolaire ayant une très forte amplification en courant.
Mais le niveau de saturation Vcesat est élevé, Vcesat = Vce1sat + Vbe2 » 1,5V
Le seuil Vbe = Vbe1 + Vbe2 » 1,4V
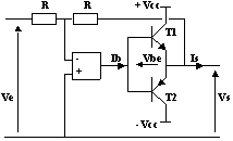
5.2- Etage " push pull "

T1 et T2 sont des transistors complémentaires de même amplification b.
Si Is > 0 c'est T1 qui travaille IC1 » Is et T2 est bloqué Ic2 = 0
Si Is < 0 c'est T2 qui travaille IC2 » -Is et T1 est bloqué Ic1 = 0
En régime linéaire ([Vcc-1Volt] > Vs > [-Vcc +1Volt]), Is » b.Ib
La structure est un étage amplificateur de courant.
Vs = Ve + Vbe
Mais Vbe = 0,7V si Is > 0 et -0,7V si Is < 0. Il y a donc distorsion du signal Vs par rapport à Ve. A ce défaut près la structure est suiveur de tension.
Si l'étage est placé dans la chaîne d'action d'un système bouclé, la distorsion en sortie peut être éliminée. Par exemple : ici Vs = Ve et la distorsion est reportée sur la sortie de l'ALI.