
Les hacheurs sont des convertisseurs d'énergie qui font transiter l'énergie électrique d'une source continue vers une autre source continue. Nombreuses sont les applications pour la commande des machines à courant continu et les alimentations à découpage
    
     1- Hacheur série 
Hypothèses
  
 
K est commandé en commutation à la période T avec un rapport cyclique 
    Le rapport cyclique est défini comme  = (temps de conduction) / T
 = (temps de conduction) / T
     Équations du circuit 
    
     V = E + L.di/dt 
    Ua = v + vk Ia = i - id
     Formes d'ondes en conduction continue 
      
 
     Justification des tracés  
 T, la conduction de K force le blocage de la diode D en imposant v = Ua
T, la conduction de K force le blocage de la diode D en imposant v = Ua T à T, le blocage de K impose ik = ia = 0
T à T, le blocage de K impose ik = ia = 0 T) + I2
T) + I2
 Observations  
 0T vdt =
 0T vdt =  Ua
 Ua  i
i  i =
i =  T(Ua - E)/L où E =
T(Ua - E)/L où E =  Ua
 Ua i =
i =  T(1 -
T(1 -  )Ua/L
 )Ua/L  i/d
i/d = 0, donc quand
 = 0, donc quand  = 0,5
 = 0,5 
 Formes d'ondes en conduction discontinue 
  
 
 Justification des tracés  
 T, la conduction de K force le blocage de la diode D en imposant v = Ua
T, la conduction de K force le blocage de la diode D en imposant v = Ua T à
T à  T, le blocage de K impose ik = ia = 0
T, le blocage de K impose ik = ia = 0 T) + I2
T) + I2 T, i = id = 0 ce qui bloque la diode D2, mais K est aussi bloqué donc ik = 0
T, i = id = 0 ce qui bloque la diode D2, mais K est aussi bloqué donc ik = 0
 Observations  
 Ua et <v> = E
Ua et <v> = E  Ua, la conduction continue est impossible en régime établi
Ua, la conduction continue est impossible en régime établi 
    
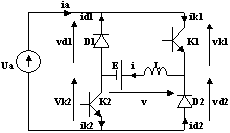
 2- Hacheur deux quadrants 
 
 
Hypothèses
K1 et K2 sont commandés simultanément avec le même état à la période T et un rapport cyclique 
     Équations du circuit 
    
    V = E + L.di/dt
    Ua = vd1 + vk2 = vk1 + vd2
    V = vd1 - vk1 = vd2 - vk2
    Ia = ik1 - id1 = -id2 + ik2
     Formes d'ondes en conduction continue 
  
 
     Justification des tracés 
 T, la conduction de K1 et K2 force le blocage des diodes D1 et D2 en imposant v = Ua
T, la conduction de K1 et K2 force le blocage des diodes D1 et D2 en imposant v = Ua T à T, le blocage de K1 et K2 impose ik1 = ik2 = 0
T à T, le blocage de K1 et K2 impose ik1 = ik2 = 0 T) + I2
T) + I2
     Observations 
 0T vdt = (2
0T vdt = (2 -1)Ua
 -1)Ua  < 0,5 : <v> <0 et si 0,5 <
 < 0,5 : <v> <0 et si 0,5 <  < 1 : <v> <0
 < 1 : <v> <0  i :
i :   i =
i =  T (Ua - E)/L où E = (2
T (Ua - E)/L où E = (2 -1) Ua
 -1) Ua i = 2
i = 2 T (1 -
 T (1 -  ) Ua/L
) Ua/L  i/d
i/d = 0, donc si
 = 0, donc si  = 0,5
 = 0,5 
     Formes d'ondes en conduction discontinue 
  
 
Justification des tracés
 T, la conduction de K1 et K2 force le blocage des diodes D1 et D2 en imposant v = Ua
T, la conduction de K1 et K2 force le blocage des diodes D1 et D2 en imposant v = Ua  T à
T à  T, le blocage de K1 et K2 impose ik1 = ik2 = 0
T, le blocage de K1 et K2 impose ik1 = ik2 = 0 T) + I2
T) + I2 T à T, le courant i = 0, tous les composants sont bloqués
T à T, le courant i = 0, tous les composants sont bloqués
     Observations 
 -1)Ua et <v> = E
 -1)Ua et <v> = E  -1)Ua, la conduction continue est impossible en régime établi
 -1)Ua, la conduction continue est impossible en régime établi  
 
    
     3- Hacheur quatre quadrants 
 
 
Pour obtenir une réversibilité quatre quadrants, il suffit d'associer tête bêche deux hacheurs réversibles deux quadrants (K1, K2, D1, D2) et (K3, K4, D3, D4)
Deux stratégies de commande sont utilisées.
 1° stratégie de commande 
    
    Tous les interrupteurs sont commandés de la même manière quelque soit le quadrant de fonctionnement
    K1 et K2 sont commandés à la fermeture de 0 à  T alors que K3 et K4 sont ouverts
T alors que K3 et K4 sont ouverts
    K3 et K4 sont commandés à la fermeture de  T à T alors que K1 et K2 sont ouverts
T à T alors que K1 et K2 sont ouverts
    C'est le sens du courant i qui détermine les composants actifs. Par exemple si K3 est commandé à la fermeture avec i > 0, c'est D1 qui conduira. Mais si K3 est commandé à la fermeture avec i < 0, c'est K3 qui sera traversé par le courant i
Exemples d'états des composants en fonction du sens de courant i
 
 
 Remarques 
     T correspond au temps de conduction de K1 et K2, au temps de blocage de K3 et K4
T correspond au temps de conduction de K1 et K2, au temps de blocage de K3 et K4
    Comme les formes d'ondes sont identiques à celles du hacheur deux quadrants, la tension <v> est de même expression : 
<v> = Ua.(2 -1)
 -1)
    Quelque soit le quadrant, le hacheur contrôle la tension et le courant dans la charge
  
 2° stratégie de commande  
    
    K1 fonctionne à la fréquence de hachage alors que K2 et fermé en permanence si on souhaite une tension moyenne positive en sortie (K3 et K4 sont bloqués)
    K3 fonctionne à la fréquence de hachage alors que K4 et fermé en permanence si on souhaite une tension moyenne négative en sortie (K1 et K2 sont bloqués)
 
 
  T correspond au temps de conduction de K1 pour <v> >0
T correspond au temps de conduction de K1 pour <v> >0 
    et au temps de conduction de K3 pour <v> <0 
    Alors <v> =  Ua si K2 =1 et <v> = -
  Ua si K2 =1 et <v> = - Ua si K4 = 1
Ua si K4 = 1

 Remarque 
     4- Technologie des interrupteurs 
 Diodes 
 Temps de recouvrement d'une diode à jonction 
    
    Quand une diode est passante des charges électriques s'accumulent au niveau de la jonction. La quantité de charges ainsi stockée est fonction de la taille du composant et du courant qui le traverse
    Pour passer de l'état passant à l'état bloqué il faut évacuer les charges stockées pendant la conduction. Le temps nécessaire pour éliminer les charges stockées s'appelle le temps de recouvrement de la diode
Exemple d'évolution du courant et de la tension aux bornes d'une diode pendant une commutation :
  
  
Le courant inverse pendant la phase de recouvrement tr dépend du circuit extérieur
     Différentes diodes 
    
     Les diodes de puissance sont classées en fonction de leur temps de recouvrement
     Observations 
    
     Dans un hacheur série en conduction continue, à la fermeture du transistor, c'est le courant maximum en régime linéaire du transistor qui correspond au courant de recouvrement inverse de la diode. Ce courant peut être dix fois plus grand que le courant dans la charge
    Ce phénomène produit des pertes en commutation dans le transistor qui est en court-circuit sur la source et crée des perturbations électromagnétiques
     Ordre de grandeur des paramètres 
| Type de diode | Tension inverse maxi (V) | Tension de seuil (V) | Courant direct maxi (A) | Tr (ns) | 
| Standard | 2000 | 1 | 2000 | 100 000 | 
| Rapide | 2000 | 1,5 | 2000 | 1000 | 
| Ultra rapide | 1500 | 2,5 | 1000 | 100 | 
| Schottcky | 100 | 0,5 | 300 | 25 | 
 Transistors bipolaires 
    
    Les transistors bipolaires utilisent deux jonctions PN. La jonction base émetteur est en direct quand le transistor conduit. Les particularités du recouvrement des diodes est aussi présent avec le transistor bipolaire
 
 
Temps de commutation
Exemple de formes d'onde dans le cas d'un hacheur série si la diode de roue libre commute instantanément :
  
  
 Par le courant de base, il faut apporter des charges électriques à la jonction base émetteur pendant le temps de stockage ts pour que le courant de collecteur apparaisse
    La croissance de ic n'est pas immédiate, il faut tr
    Il faut un courant de base négatif pour que les charges accumulées dans la jonction base émetteur disparaissent (durée td) et que le courant de collecteur commence à décroître
    La décroissance de ic n'est pas immédiate, il faut tf
    Pertes en commutation dans le transistor  Pc = Ua.I0.(tr +tf)/(2.T)
    Le temps de stockage et de déstockage td n'ont pas d'effet sur les pertes en commutation mais il limite la fréquence maximale du découpage
    
    Exemple de formes d'onde dans le cas d'un hacheur série si la diode de roue libre commute avec un temps de recouvrement inverse tri :
  
 
A la mise en conduction du transistor et pendant le temps de recouvrement inverse tri de la diode, le transistor est traversé par une forte pointe de courant de collecteur. Les pertes à la fermeture sont d'autant plus faibles que la diode est rapide
     Ordre de grandeur 
    
    Vce de 30v (et  = 100) à 1500V (et
 = 100) à 1500V (et  = 3)
 = 3) 
    Ic de 0,5 à 1000A
     Transistor MOSFET 
  
Le transistor MOSFET a l'avantage d'une commande relativement simple qui nécessite peu de puissance
 
 
 A la fabrication une diode entre drain et source est aussi intégrée. Cette diode est généralement une diode rapide. Cette diode peut servir dans une structure en pont par exemple
    Pour faire commuter le transistor il faut faire varier vgs de 12V à 0V et inversement
    Le composant est très rapide tr ~ tf ~ 50ns
    Exemple de formes d'ondes dans un hacheur série (avec diode de roue libre parfaite)
 
 
 Entre grille et source le transistor se comporte comme un condensateur (Cgs ~ 1nF) qu'il faut charger et décharger à chaque commutation. Les pointes du courant ig doivent être de l'ordre de l'ampère
    Les faibles temps de commutation tr et tf permettent de réduire les pertes en commutation ou d'augmenter la fréquence du découpage
    Il existe des MOSFETs qui se commandent en 0 / 5V pour éviter une alimentation 12V
     Ordre de grandeur des paramètres 
| Vds maxi (V) | 50 | 100 | 500 | 1200 | 
| Id maxi (A) | 500 | 100 | 30 | 5 | 
Transistors IGBT
Le transistor IGBT combine vu de la grille une entrée de MOSFET avec sa commande en tension relativement simple et vu entre collecteur et émetteur les propriétés du transistor bipolaire aux puissances élevées
  
 
 En conduction le seuil est plutôt élevé, Vcesat ~ 1,5V pour les moins rapides et Vcesat ~ 3V pour les ultra rapides
    Les temps de commutation sont assez élevés et limitent l'application des IGBT aux fréquences de découpage de l'ordre de 20kHz
Exemple de formes d'ondes dans un hacheur série (avec diode de roue libre parfaite) :
  
 
Le transistor IGBT est particulièrement pénalisé en commutation par un traînage au blocage. Td est environ de 2 à 5µs
     Ordre de grandeur 
    
    Vcemaxi de 400V à 1500V
    Ic de 5A à 1000A
     Thyristors 
    
    La mise en oeuvre du thyristor dans les hacheurs est très délicate car l'annulation du courant dans les interrupteurs lors du  blocage n'est pas naturelle. Cependant aux très fortes puissances, le thyristor est irremplaçable. Par composant on peut commuter 2000A sous 2500V ! Exemple d'application : traction électrique. Il faut associer au thyristor un circuit auxiliaire comprenant plusieurs thyristors additionnels, inductances et condensateurs pour parvenir au blocage du composant principal