
Définition
Un convertisseur numérique - analogique permet de traduire une information numérique (binaire) en une information analogique, c'est à dire en une grandeur physique (courant, tension...).

Principe de fonctionnement
|
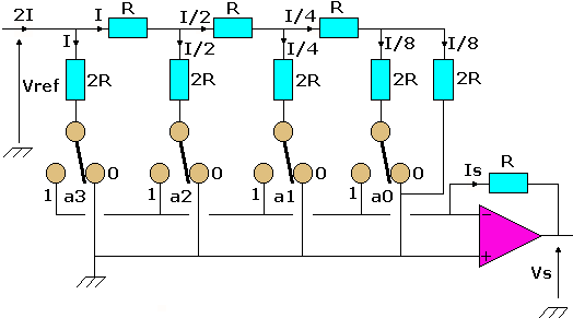
a0, a1, a2, a3 sont des coefficients pouvant prendre les valeurs 1 ou 0
par exemple, si le contact a3 est fermé: a3 = 1
Application numérique
Soit le nombre binaire N% = a3 a2 a1 a0, R = R' = 10 k
, Vref = +8v
L'amplificateur opérationnel est tel que: +Vs(sat) = +15v et -Vs(sat) = -15v
N% = 0000 (a3, a2, a1, a0 ouverts) donc Vs = 0v
N% = 0001 (a0 fermé) donc Vs = -1v
N% = 1111 (a3, a2, a1, a0 fermés) donc Vs = -15v
Spécifications techniques
La plupart des C.N.A. sont commercialisés sous forme de circuits intégrés
- Résolution: elle est exprimée en % de la pleine échelle ou en nombre de bits
- Précision: on distingue deux types d'erreurs:
- erreur pleine échelle: écart maximal entre la valeur de sortie et la valeur idéale
- erreur de linéarité: écart maximal entre le pas de progression réel et le pas de progression idéal
- Temps d'établissement: temps que met la sortie pour passer de 0 à la valeur " pleine échelle " (entre 50ns et 10µs), les convertisseurs à sortie " courant " étant généralement plus rapides que les convertisseurs à sortie " tension "
- Tension de décalage: tension de sortie présente lorsque les entrées binaires sont à zéro
CARACTÉRISTIQUE DE TRANSFERT
Réseau R - 2R

Le commun des commutateurs a3, a2, a1 et a0 est toujours la masse, ceci quelle que soit la position des commutateurs

Voir aussi